特点
| 应用
|


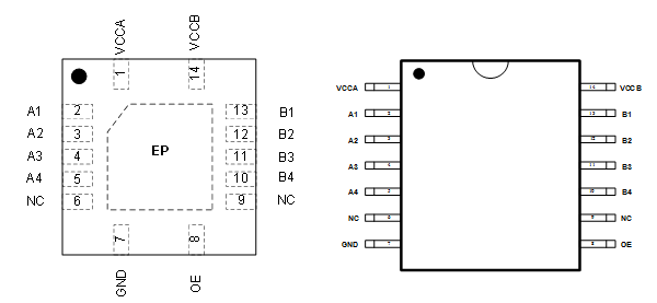
引脚号 | 名称 | I/O | 功能 | |
SQE | MTN | |||
1 | 1 | VCCA | - | A port power supply, 1.65V≤VCCA≤5.5V and VCCA≤ VCCB |
2 | 2 | A1 | I/O | Input/Output A1, referenced to VCCA |
3 | 3 | A2 | I/O | Input/Output A2, referenced to VCCA |
4 | 4 | A3 | I/O | Input/Output A3, referenced to VCCA |
5 | 5 | A4 | I/O | Input/Output A4, referenced to VCCA |
6 | 6 | NC | - | No connection |
7 | 7 | GND | - | Ground |
8 | 8 | OE | I | Pull OE low to place all outputs in Hi-Z. |
9 | 9 | NC | - | No connection |
10 | 10 | B4 | I/O | Input/Output B4, referenced to VCCB |
11 | 11 | B3 | I/O | Input/Output B3, referenced to VCCB |
12 | 12 | B2 | I/O | Input/Output B2, referenced to VCCB |
13 | 13 | B1 | I/O | Input/Output B1, referenced to VCCB |
14 | 14 | VCCB | - | B port power supply, 2.3V≤VCCB≤5.5V |
EP | - | NC | - | No connection |
