特点
| 应用
|


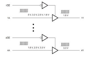
引脚号 | 名称 | I/O | 功能 |
1 | 1 | I | Enable 1. |
2 | 1A | I | Input 1. |
3 | 1Y | O | Output 1 |
4 | 2 | I | Enable 2 |
5 | 2A | I | Input 2 |
6 | 2Y | O | Output 2 |
7 | GND | - | Ground |
8 | 3Y | O | Output 3 |
9 | 3A | I | Input 3 |
10 | 3 | I | Enable 3 |
11 | 4Y | O | Output 4 |
12 | 4A | I | Input 4 |
13 | 4 | I | Enable 4 |
14 | VCC | - | Power in |
EP | Exposed Thermal Pad | - | No connection, connect to ground. |
