特点
| 应用
|


引脚号 | 名称 | 功能 |
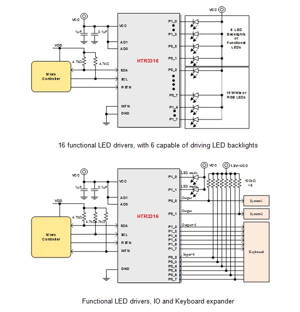
1~4 | P1_0~P1_3 | GPIO mode default, input or output (push-pull), the state after power on is decided by AD1 and AD0 terminals. Can be configured as LED mode. 默认GPIO模式,输入或输出(推挽结构),上电默认状态由AD1和AD0决定。可设置为LED模式。 |
5~8 | P0_0~P0_3 | GPIO mode default, input or output (open-drain (default) or push-pull), the state after power on is decided by AD1 and AD0 terminals. Can be configured as LED mode. 默认GPIO模式,输入或输出(开漏结构(默认)或推挽结构),上电默认状态由AD1和AD0决定。可设置为LED模式。 |
9 | GND | Ground. 地 |
10~13 | P0_4~P0_7 | GPIO mode default, input or output (open-drain (default) or push-pull), the state after power on is decided by AD1 and AD0 terminals. Can be configured as LED mode. 默认GPIO,输入或输出(开漏结构(默认)或推挽结构),上电默认状态由AD1和AD0决定。可设置为LED模式。 |
14~17 | P1_4~P1_7 | GPIO mode default, input or output (push-pull), the state after power on is decided by AD1 and AD0 terminals. Can be configured as LED mode. 默认GPIO,输入或输出(推挽结构), ,上电默认状态由AD1和AD0决定。可设置为LED模式。 |
18 | AD0 | I2C device address, connect to VCC or GND,and control the default state of GPIOs (see table 1)。 I2C器件地址选择,接VCC或GND,并设置GPIO状态(见表1)。 |
19 | SCL | I2C serial clock. I2C时钟 |
20 | SDA | I2C serial data. I2C数据 |
21 | VCC | Power supply. 电源输入端. |
22 | INTN | Interrupt output pin, open-drain, need external pull-up resistor; active low. 中断输出,开漏结构,需外部上拉电阻;低有效 |
23 | RSTN | Hardware reset pin, active low; internal 100 kΩ (typical) pull-down resistor. 硬件复位,低为复位;内部下拉100 kΩ(典型值)电阻 |
24 | AD1 | I2C device address, connect to VCC or GND,and control the default state of GPIO (see table 1)。 I2C器件地址选择,接VCC或GND,并设置GPIO状态(见表1)。 |
EP | GND | Provides both electrical and thermal connection from the device to the board. Connect to the system ground. 接地。 |
